總述:北京曼德克環境科技有限公司推出的GC-118(揮發性有機物)在線監測系統,主要應用于對各種工業污染源排放有機物的實時監測。本系統可以連續監測甲烷、非甲烷總烴、總烴、煙氣溫度、壓力、流速等相關參數,并統計排放率、排放總量等。從而對測量到的數據進行有效管理。
GC-118系統具有現場數據實時傳送、遠程故障診斷、報表統計和圖形數據分析等功能,組網靈活,運行成本低。同時,系統采用模塊化結構,組合方便,并且能夠完全滿足與企業內部的DCS系統和環保部門數據系統通訊的要求。
VOC設備適用范圍:石油煉制﹑石油化學﹑噴涂行業﹑生物制藥﹑皮革印染﹑油漆生產﹑電子行業﹑包裝印刷等易產生揮發性有機氣體排放的固定污染源企業都需要設立在線監測,廢氣處理達標排放,做到環境污染最小化。
定義:
VOC:是揮發性有機化合物(volatile organic compounds)的英文縮寫
TVOC:世界衛生組織(WHO,1989)對總揮發性有機化合物(TVOC)的定義為,熔點低于室溫而沸點在50~260℃之間的揮發性有機化合物的總稱。
NMHC:中國國家標準中規定,指除甲烷以外的所有可揮發的碳氫化合物(其中主要是C2~C8)。
危害:
VOC即揮發性有機化合物,對人體健康有巨大影響。當環境中的VOC達到一定濃度時,短時間內人們會感到頭痛、惡心、嘔吐、乏力等,嚴重時會出現抽搐、昏迷,并會傷害到人的肝臟、腎臟、大腦和神經系統,造成記憶力減退等嚴重后果。

左CEMS煙氣在線監測設備;右VOC揮發性有機物在線監測設備
CEMS的監測原理在此不再贅述,但了解CEMS安裝調試對于VOC的安裝故障排除很有幫助的。
一﹑系統組成:
GC-118系統由VOCs監測子系統、煙氣參數(溫度、壓力、流速)監測子系統以及數據采集與處理子系統構成。如下圖所示:

氣態污染物監測子系統主要由采樣探頭、伴熱管線、預處理單元、分析儀、電控單元組成,測量時煙氣由機柜內的高溫取樣泵抽取,經由采樣探頭、伴熱管線、除塵過濾器后通入分析儀進行測量。為保證測量的長期準確性,系統集成有標氣和零氣,定期對系統進行零點和量程標定。
預處理系統全程高溫伴熱,使得VOCs在管路中無吸附,測量更加準確。
煙氣參數監測子系統包括煙氣溫度、壓力、流速的測量。煙氣溫度采用鉑電阻溫度傳感器測量;煙氣的壓力采用采用高精度隔離膜壓力傳感器測量;煙氣流速采用差壓變送器測量,通過測量煙氣流動中的全壓和靜壓,得到煙氣的流速。
數據采集與處理子系統由集線箱、工控機和GC-118系統監測軟件構成。集線箱安裝在戶外的平臺上,采集現場平臺設備的4~20mA信號(煙氣溫度/壓力/流速/煙塵等信號),通過內部的處理單元轉換為工業現場的RS-485信號與機柜內的工控機進行通信。GC-118系統監測軟件安裝與工控機內,用于監測和匯總所有的氣體濃度信息和工作狀態信息,同時生成報表、存儲數據、記錄歷史數據、與環保部門聯網通信等功能。傳輸單元安裝于機柜內部,將測量的參數轉換成4~20mA信號送給客戶的DCS系統。
二﹑安裝
1﹑平臺設備:采樣探頭(控制箱)﹑溫壓流﹑濕度儀﹑粉塵儀﹑配電箱
1.1 測量因子
煙氣中的非甲烷總烴、苯、甲苯、二甲苯;溫度、壓力、流速、濕度等,不同工況現場要求的不一樣。
1.2 測量方法
煙氣采樣方法:完全抽取+高溫法
甲烷/非甲烷總烴/苯/甲苯/二甲苯監測方法:氣相色譜法
溫度測量方法:鉑電阻
壓力測量方法:壓力傳感器
流速測量方法:差壓法(皮托管)
1.2.1 溫度、壓力、流量(流速)測量儀
型號:VCEM5100(三位一體化)
制造廠家:曼德克

工作環境溫度:(-30~+60)℃
溫度測量:
探頭外殼材料:316L不銹鋼
測量方法:鉑金電阻法Pt100
測量范圍: (0~300)℃
測量精度:≤±0.5%F.S
防腐措施:表面噴涂特殊防腐材料(聚四氟)
取樣管長度:500 mm
輸出信號型式:(4~20)mA
壓力測量:
量程:(-2.5~2.5)KPa
測量方法:壓力傳感器
測量精度:±0.5%FS
?輸出信號型式:(4~20)mA
流速測量:
皮托管材質:316L不銹鋼
監測方法:差壓測量法(皮托管法)
流速測量范圍: (4~40)m/s(可根據買方需求定制)
最小檢測流速:4m/s
測量精度:≤±5% F.S
防腐措施:表面噴涂特殊防腐材料(聚四氟)
取樣管長度:500 mm
輸出信號型式:(4~20)mA
1.2.2 濕度儀
皮托管材質:316L不銹鋼
監測方法:阻容法
濕度測量范圍: 0~40%RH(可根據買方需求定制)
測量精度:≤±2% F.S
防腐措施:表面噴涂特殊防腐材料(聚四氟)
取樣管長度:500 mm
輸出信號型式:(4~20)mA
度測量方法:阻容法
1.3開孔:

2﹑ 管線及電纜敷設
現場電纜敷設方式可用走橋架或穿管方式。橋架及穿管的走向根據現場實際定,但應遵循以下原則: ① 采樣管線長度盡量短,一般不要超過 80 米 , 以小于 50 米為佳; ② 采樣管線走向不能出現 U 型彎,防止積水及阻塞管線; ③ 采樣管線不能折死彎,大于 90 度 , 水平方向大于 15 度。彎曲半徑不小于 400mm; ④ 信號電纜及通訊電纜必須帶屏蔽。若為穿管,則每個煙道分成三根管分別敷設: 鍍鋅管 1:屏蔽電纜; 鍍鋅管 2:供電 / 控制電纜; 鍍鋅管 3:取樣管;
若采用橋架方式,其走向需根據現場實際確定,所有彎通等部件也是根據實際來確定,
電纜的長度根據現場實際定,基本跟采樣管線長度一致,最終的配置以項目的 電氣接口圖紙為準。供貨范圍以技術協議要求為準。VOC 系統到 DCS 的電纜未統計在內。
3﹑壓縮空氣管敷設
現場采樣探頭及皮托管流量計需要壓縮空氣吹掃,所以現場必須提供氣源。 壓縮氣源要求:(0.4 ~ 0.6)MPa,干凈,無油。耗氣量:(Max)
4﹑分析小屋要求:
小屋照明:60w日光燈,開關安裝在室內,照明開關帶三線或二線插座。
配置1P冷暖兩用空調,要求空調具有斷電重啟功能。配置排風扇,防止風扇與空調對流。
電氣設備:在小屋內墻配置100mm×50mm的電纜橋架(門除外),小屋外配置總電源接線箱;屋內配置電源分線箱,分線箱內配置空開220V AC×40A一只、220V AC×20A兩只、220V AC×10A一只,接地可靠,一般接地電阻要求≤4歐姆。
在監測房內放置儀器位置的正上方(靠近煙囪或煙道測量點的一側)距離地面高度的2.5m處,為樣氣管路及電纜管路開孔,開孔尺寸為200mm×100mm,開孔數量1個;在機柜背面墻壁貼近地面底部上開一孔,規格為Ф30mm,作為廢水廢氣排放口(可以后期安裝時候制作)。
標準氣瓶支架制作:由于煙氣監測校準用的標氣屬于有毒氣體,考慮到標氣瓶的安全問題,為了防止標氣瓶傾倒,需要制作支架來固定氣瓶(可以后期安裝時候制作)。
三﹑整機設備
1.1數據采集與處理子系統(監視畫面)


1.2數據的存儲和檢索功能
硬件能存儲不低于10年以上的分鐘數據報表、小時數據報表、日報表、月報表、系統報警記錄和系統操作記錄。
能夠檢索任意時間點的監測數據和任意時間段的報表。
1.3.1
分析儀簡介:
GC-118非甲烷總烴在線分析儀是專用于測量工業廢氣和環境空氣中的甲烷和非甲烷總烴含量的專用分析儀器。總分析時間小于70s,量程從10~10000ppm可選,非甲烷總烴的最低檢出限低于0.05ppm。







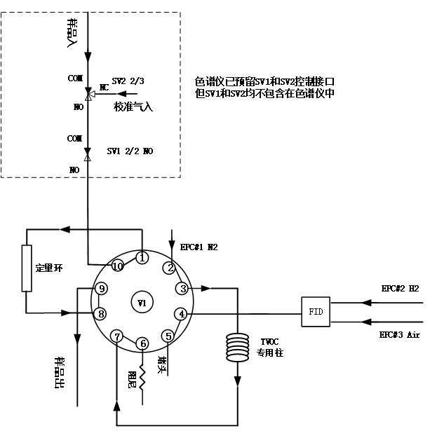
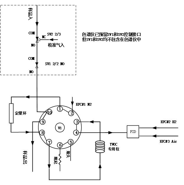
1.3.2
內部采樣﹑進樣﹑分離﹑閉合原理示意圖

采樣/分離/反吹位置分析流路圖

進樣閉合位置分析流路圖
分析結果顯示在色譜圖上,有兩個色譜峰。第一個色譜峰是總烴,第二個是甲烷。當進樣開始后,總烴峰最高點大約在十二秒左右,這個最高點出峰時間稱為保留時間,保留時間是色譜理論的重要概念,是色譜儀進行定性的依據。甲烷峰稍晚,保留時間通常在三十秒左右,依實際環境和樣氣成分不同,稍有變化。

典型分析譜圖
在連續運行時,前一個分析周期的反吹過程中,同時進行著下一個分析周期的采樣。每次分析所需的時間大約在70s,用戶可在軟件界面中進行運行方法參數的設置來改變分析周期的大小。
1.1規格參數
量程:非甲烷總烴0~10/100/1000/10000ppm;
示值誤差:±2%或0.2ppm;
電源:220Vac±5%,50Hz/60Hz;
功耗:最大功耗300W,平均功耗約150W;
尺寸:19〞標準機箱,5U;
重量:18KG。
1.3.3前后面板


1.3.6日常維護
為確保儀器正常運行,本儀器應進行定期保養。儀器的易損耗部件應經常檢查,并制定適當的維護計劃。維護時務必關閉電源和起源。
下表是儀器中的備品備件的日常維護工作與建議周期。

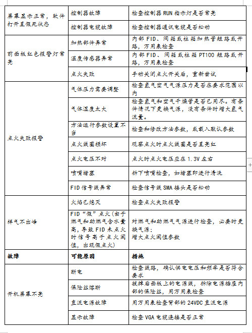
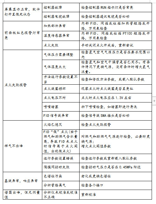
1.3.3故障處理




四﹑氫空一體機維護
項目 維護內容 頻率
變色硅膠 更換 1 個月
加蒸餾水 添加蒸餾水 2 個月
電解液 添加氫氧化 100g 溶液 6 個月